TECHNISCHE DATEN
• Drehmoment von 15 bis 347 Nm.
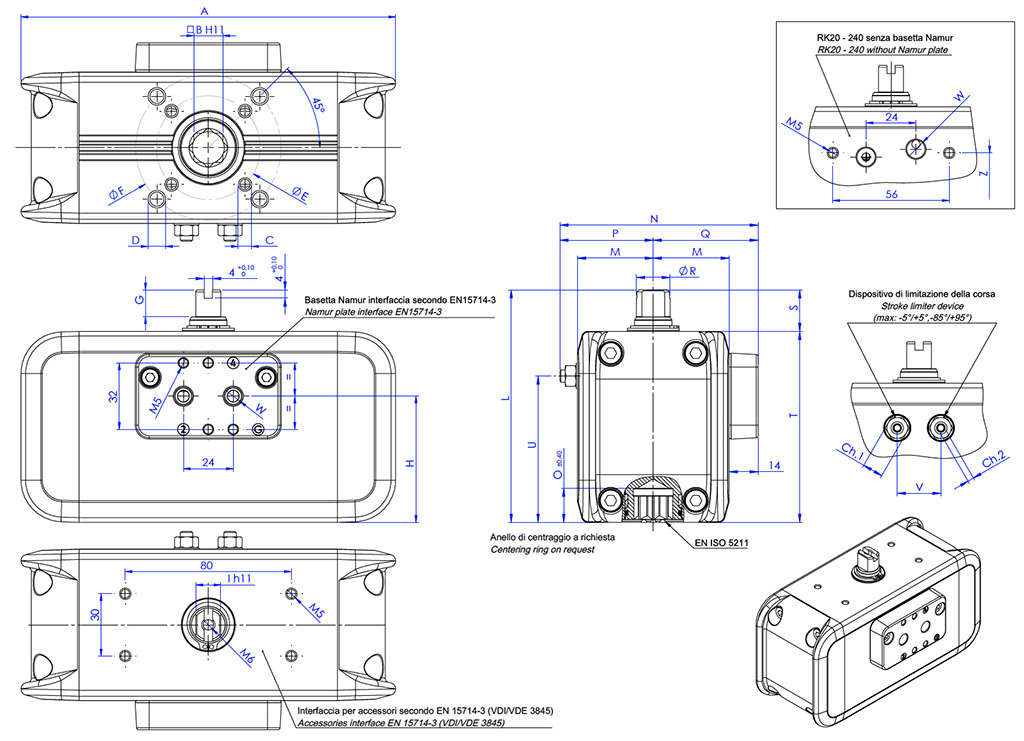
• Flanschanschluss: EN ISO 5211: F03 - F04 - F05 - F07 - F10 - F12.
• Gemäß EN 15714-3.
• Gemäß der ATEX-Richtlinie 2014/34/EU.
• Schwenkwinkel: 100° (-5°, +95°).
• Doppelte Einstellung -5° und +5° für jeden Endanschlag (0 und 90°).
• Drehmoment: Hängt vom Versorgungsdruck und der Größe der Federn ab (siehe Tabelle).
BETRIEBSBEDINGUNGEN
• Standardtemperatur: -20 bis +80°C.
Spezialausführungen:
- hohe Temperatur: -20°C +150°C.
- niedrige Temperatur: -50°C +60°C.
• Nenndruck: 6 bar (Standard-Ausführung RS60); maximaler Betriebsdruck 8 bar.
• Zufuhrmedium: gefilterte Druckluft, nicht unbedingt geölt; gemäß UNI EN 15714-3:2009.
• Bei Schmierung ein für die Innendichtungen geeignetes, reinigendes Öl verwenden.
SONDERAUSFÜHRUNG AUF ANFRAGE, KODIERUNGSSCHLÜSSEL
| EIGENSCHAFT | ||
| Schwingender Stellantrieb | RP | |
| Größe | 0010, 0020, 0040, 0060, 0080, 00120, 00160, 0240, 0300, 0480 | |
| Kunde | VO | ACTUATECH |
| Schwenkwinkel [°] | A | 90° |
| B* | 180° | |
| C* | 120° | |
| D* | 135° | |
| Schließrichtung | R | Schließung bei Rechtsdrehung |
| L | Schließung bei Linksdrehung | |
| Funktionsweise | S | Einfachwirkend NC (stromlos geschlossen) |
| O | Einfachwirkend NO (stromlos offen) | |
| D | Doppeltwirkend | |
| Verwendete Federn | 00 | Ohne Federn |
| 20 | Federn für 2,0 bar | |
| 25 | Federn für 2,5 bar | |
| 30 | Federn für 3,0 bar | |
| 35 | Federn für 3,5 bar | |
| 40 | Federn für 4,0 bar | |
| 45 | Federn für 4,5 bar | |
| 50 | Federn für 5,0 bar | |
| 55 | Federn für 5,5 bar | |
| 60 | Federn für 6,0 bar | |
| Flanschtyp, kleiner bei Doppelflansch | 03 | F03 |
| 04 | F04 | |
| 05 | F05 | |
| 07 | F07 | |
| 10 | F10 | |
| 12 | F12 | |
| Form des unteren Wellensitzes | Q | Sternwelle |
| D* | Doppelte flache Welle | |
| Sitzgröße der unteren Welle | 09 | Kasten mit Abmessungen 9 mm |
| 11 | Kasten mit Abmessungen 11 mm | |
| 14 | Kasten mit Abmessungen 14 mm | |
| 17 | Kasten mit Abmessungen 17 mm | |
| 22 | Kasten mit Abmessungen 22 mm | |
| 27 | Kasten mit Abmessungen 27 mm | |
| Druckluftanschluss | G | Anschlussplatte Namur, GAS-Gewinde |
| N | Anschlussplatte Namur, NPT-Gewinde | |
| 0 | Gasgewinde am Zylinder ohne Anschlussplatte (keine Namur-Schnittstelle). | |
| I | Namur-Schnittstelle, integrierte Gas-Gewinde | |
| Ausführung | - | Standard |
| 6* | Niedrige Temperatur | |
| 4* | Hohe Temperatur | |
| ABMESSUNGEN [mm] | |||||||||||||
| Baugröße | RK20 | RK20 | RK20 | RK20 | RK40 | RK40 | RK40 | RK40 | RK60 | RK80 | RK120 | RK160 | RK240 |
| ISO | F03/F05 | F03/F05 | F04 | F04 | F04 | F04 | F05/F07 | F05/F07 | F05/F07 | F05/F07 | F05/F07 | F07/F10 | F07/F10 |
| A | 153,7 | 153,7 | 153,7 | 153,7 | 180,4 | 180,4 | 180,4 | 180,4 | 215,4 | 235,5 | 265,9 | 285,9 | 318,4 |
| B | 9 | 11 | 9 | 11 | 11 | 14 | 11 | 14 | 14 | 17 | 17 | 22 | 22 |
| C x Tiefe | M5x8 | M5x8 | M5x8 | M5x8 | M5x8 | M5x8 | M6x9 | M6x9 | M6x9 | M6x9 | M6x9 | M8x12 | M8x12 |
| D x Tiefe | M6x9 | M6x9 | - | - | - | - | M8x12 | M8x12 | M8x12 | M8x12 | M8x12 | M10x15 | M10x15 |
| E | 36 | 36 | 42 | 42 | 42 | 42 | 50 | 50 | 50 | 50 | 50 | 70 | 70 |
| F | 50 | 50 | - | - | - | - | 70 | 70 | 70 | 70 | 70 | 102 | 102 |
| G | 10 | 10 | 10 | 10 | 13 | 13 | 13 | 13 | 13 | 13 | 13 | 13 | 19,5 |
| H | 50,9 | 50,9 | 50,9 | 50,9 | 60,8 | 60,8 | 60,8 | 60,8 | 68,7 | 75,6 | 87,6 | 97,5 | 112 |
| I | 9 | 9 | 9 | 9 | 12 | 12 | 12 | 12 | 12 | 15 | 15 | 19 | 22 |
| L | 100 | 100 | 100 | 100 | 112 | 112 | 112 | 112 | 122 | 130 | 143 | 154 | 180 |
| M | 30 | 30 | 30 | 30 | 36,5 | 36,5 | 36,5 | 36,5 | 41,5 | 46 | 51 | 56,5 | 64 |
| N | 82,5* | 82,5* | 82,5* | 82,5* | 95,5* | 95,5* | 95,5* | 95,5* | 107,8* | 116,5* | 127* | 141* | 159* |
| O | 13,2 | 13,2 | 13,2 | 13,2 | 16,5 | 16,5 | 16,5 | 16,5 | 16,5 | 19,3 | 19,3 | 24,3 | 24,3 |
| P | 38,5* | 38,5* | 38,5* | 38,5* | 45* | 45* | 45* | 45* | 52,3* | 56,5* | 62* | 70,5* | 81* |
| Q | 44 | 44 | 44 | 44 | 50,5 | 50,5 | 50,5 | 50,5 | 55,5 | 60 | 65 | 70,5 | 78 |
| R | 12,7 | 12,7 | 12,7 | 12,7 | 16,2 | 16,2 | 16,2 | 16,2 | 18 | 20,2 | 22,5 | 25,5 | 31,8 |
| S | 20 | 20 | 20 | 20 | 20 | 20 | 20 | 20 | 20 | 20 | 20 | 20 | 30 |
| T | 80 | 80 | 80 | 80 | 92 | 92 | 92 | 92 | 102 | 110 | 123 | 134 | 150 |
| U | 59,75 | 59,75 | 59,75 | 59,75 | 70,5 | 70,5 | 70,5 | 70,5 | 79 | 86 | 97,75 | 106,25 | 120,5 |
| V | 19 | 19 | 19 | 19 | 21 | 21 | 21 | 21 | 24 | 26 | 32 | 36 | 41 |
| W Standardausführung (GAS) | 1/8" | 1/8" | 1/8" | 1/8" | 1/8" | 1/8" | 1/8" | 1/8" | 1/8" | 1/8" | 1/4" | 1/4" | 1/4" |
| W Sonderausführung (NPT) | 1/8"-27 | 1/8"-27 | 1/8"-27 | 1/8"-27 | 1/8"-27 | 1/8"-27 | 1/8"-27 | 1/8"-27 | 1/8"-27 | 1/8"-27 | 1/4"-18 | 1/4"-18 | 1/4"-18 |
| Ch.1 | 10 | 10 | 10 | 10 | 10 | 10 | 10 | 10 | 13 | 13 | 13 | 16 | 18 |
| Ch.2 | 3 | 3 | 3 | 3 | 3 | 3 | 3 | 3 | 4 | 4 | 4 | 5 | 6 |
| Gewicht (kg) | 1,5** | 1,5** | 1,5** | 1,5** | 2,3** | 2,3** | 2,3** | 2,3** | 3,2** | 4,1** | 5,7** | 7,3** | 10,2** |
| Luft (dm³/Zyklus) | 0,11 | 0,11 | 0,11 | 0,11 | 0,2 | 0,2 | 0,2 | 0,2 | 0,31 | 0,44 | 0,61 | 0,83 | 1,21 |
| Z | 59,9 | 59,9 | 59,9 | 59,9 | 69,8 | 69,8 | 69,8 | 69,8 | 77,7 | 84,6 | 96,6 | 106,6 | 121 |
| W | 1/8" | 1/8" | 1/8" | 1/8" | 1/8" | 1/8" | 1/8" | 1/8" | 1/8" | 1/8" | 1/4" | 1/4" | 1/4" |
H = MITTE DER ANSCHLUSSPLATTENBEFESTIGUNGEN.
* Variabel je nach Einstellung.
** Variabel je nach installiertem Federsatz.
| ABMESSUNGEN [mm] | ||
| Baugröße | RK300 | RK480 |
| ISO | F07/F10 | F10/F12 |
| A | 352,4 | 393,4 |
| B | 22 | 27 |
| C x Tiefe | M8x12 | M10x15 |
| D x Tiefe | M10x15 | M12x18 |
| E | 70 | 102 |
| F | 102 | 125 |
| G | 19,5 | 19,5 |
| H | 125,6 | 145,6 |
| I | 22 | 27 |
| L | 192 | 214 |
| M | 69.5 | 80 |
| N | 156,5* | 180* |
| O | 24,3 | 29,5 |
| P | 87* | 100* |
| Q | 83,5 | 94 |
| R | 31,8 | 38 |
| S | 30 | 30 |
| T | 162 | 184 |
| U | 131 | 149,5 |
| V | 46 | 52 |
| W Standardausführung (GAS) | 1/4” | 1/4" |
| W Sonderausführung (NPT) | 1/4”-18 | 1/4”-18 |
| Ch.1 | 18 | 21 |
| Ch.2 | 6 | 6 |
| Gewicht (kg) | 13** | 18,8** |
| Luft (dm³/Zyklus) | 1,56 | 2,46 |
| Z | 124,5 | 144,5 |
| W | 1/4” | 1/4” |
H = MITTE DER ANSCHLUSSPLATTENBEFESTIGUNGEN.
* Variabel je nach Einstellung.
** Variabel je nach installiertem Federsatz.
| WERKSTOFFE | |||
| Pos. | Beschreibung | Menge | Werkstoff |
| 1 | Zylinder | 1 | Aluminiumlegierung |
| 2 | Welle | 1 | Stahllegierung |
| 3* | Schelle (obere Wellenhalterung) | 1 | Acetalharz |
| 4* | Schelle (untere Wellenhalterung) | 1 | Acetalharz |
| 5* | O-Ring (untere Wellendichtung) | 1 | Nitrilkautschuk |
| 6 | Nocken | 1 | Stahllegierung |
| 7* | Ring innere Halterung | 1 | Acetalharz |
| 8* | Äußerer Stützring | 1 | Acetalharz |
| 9 | Unterlegscheibe | 1 | Edelstahl |
| 10* | Seeger-Ring | 1 | Edelstahl |
| 11* | O-ring** | 2 | Nitrilkautschuk |
| 12* | O-Ring obere Welle | 1 | Nitrilkautschuk |
| 13 | Anschlussplatte Namur** | 1 | Aluminiumlegierung |
| 14 | Schrauben** | 2 | Edelstahl |
| 15* | O-ring | 2 | Nitrilkautschuk |
| 16* | Scheibe (Hubeinstellung) | 2 | Edelstahl |
| 17* | Mutter (Hubeinstellung) | 2 | Edelstahl |
| 18* | Justierschraube | 2 | Edelstahl |
| 19 | Kolben | 2 | Aluminiumlegierung |
| 20* | Kolbenstützhalterung | 4 | Acetalharz |
| 21* | Dichtring | 2 | Polyurethan |
| 22* | O-ring | 2 | Nitrilkautschuk |
| 23* | O-Ring Kappe | 2 | Nitrilkautschuk |
| 24 | Kappe | 2 | Aluminiumlegierung |
| 25 | Schrauben | 8 | Edelstahl |
| 26 | Feder | 12 | Stahllegierung |
| 27 | langer Federbehälter | 12 | Acetalharz |
| 28 | kurzer Federbehälter | 12 | Acetalharz |
| 29 | Federvorspannstift | 12 | Messing |
Die grafische Darstellung dient zur groben Orientierung; für die Drehmomente siehe die unten angeführte Tabelle.
| TABELLE DREHMOMENT RACKON "GS" NC (Nm) | |||||||||||||||||||||||||
| Baugröße | Feder | Luft bar | Federmoment | ||||||||||||||||||||||
| 2 bar | 2,5 bar | 3 bar | 3,5 bar | 4 bar | 4,5 bar | 5 bar | 5,5 bar | 6 bar | 7 bar | 8 bar | |||||||||||||||
| 0° | 90° | 0° | 90° | 0° | 90° | 0° | 90° | 0° | 90° | 0° | 90° | 0° | 90° | 0° | 90° | 0° | 90° | 0° | 90° | 0° | 90° | 90° | 0° | ||
| RK20 | 20 | 4,9 | 2,5 | 6,7 | 4,4 | 8,6 | 6,2 | 10,4 | 8,0 | 12,2 | 9,9 | 14,0 | 11,7 | 15,9 | 13,5 | 17,7 | 15,3 | 19,5 | 17,2 | 23,2 | 20,8 | 26,8 | 24,5 | 4,8 | 2,4 |
| 25 | 4,3 | 1,4 | 6,1 | 3,2 | 8,0 | 5,0 | 9,8 | 6,8 | 11,6 | 8,7 | 13,4 | 10,5 | 15,3 | 12,3 | 17,1 | 14,2 | 18,9 | 16,0 | 22,6 | 19,6 | 26,2 | 23,3 | 6,0 | 3,0 | |
| 30 | 5,5 | 2,0 | 7,4 | 3,8 | 9,2 | 5,7 | 11,0 | 7,5 | 12,8 | 9,3 | 14,7 | 11,1 | 16,5 | 13,0 | 18,3 | 14,8 | 22,0 | 18,4 | 25,6 | 22,1 | 7,1 | 3,6 | |||
| 35 | 6,8 | 2,6 | 8,6 | 4,5 | 10,4 | 6,3 | 12,2 | 8,1 | 14,1 | 9,9 | 15,9 | 11,8 | 17,7 | 13,6 | 21,4 | 17,3 | 25,0 | 20,9 | 8,3 | 4,2 | |||||
| 40 | 8,0 | 3,3 | 9,8 | 5,1 | 11,6 | 6,9 | 13,5 | 8,8 | 15,3 | 10,6 | 17,1 | 12,4 | 20,8 | 16,1 | 24,4 | 19,7 | 9,5 | 4,8 | |||||||
| 45 | 9,2 | 3,9 | 11,0 | 5,7 | 12,9 | 7,6 | 14,7 | 9,4 | 16,5 | 11,2 | 20,2 | 14,9 | 23,8 | 18,5 | 10,7 | 5,4 | |||||||||
| 50 | 10,4 | 4,5 | 12,3 | 6,4 | 14,1 | 8,2 | 15,9 | 10,0 | 19,6 | 13,7 | 23,2 | 17,3 | 11,9 | 6,0 | |||||||||||
| 55 | 11,7 | 5,2 | 13,5 | 7,0 | 15,3 | 8,8 | 19,0 | 12,5 | 22,6 | 16,1 | 13,1 | 6,6 | |||||||||||||
| 60 | 12,9 | 5,8 | 14,7 | 7,6 | 18,4 | 11,3 | 22,0 | 15,0 | 14,3 | 7,2 | |||||||||||||||
| RK40 | 20 | 9,3 | 4,8 | 12,8 | 8,3 | 16,3 | 11,8 | 19,8 | 15,3 | 23,3 | 18,8 | 26,7 | 22,3 | 30,2 | 25,7 | 33,7 | 29,2 | 37,2 | 32,7 | 44,1 | 39,7 | 51,1 | 46,6 | 9,1 | 4,6 |
| 25 | 8,2 | 2,6 | 11,7 | 6,1 | 15,1 | 9,5 | 18,6 | 13,0 | 22,1 | 16,5 | 25,6 | 20,0 | 29,1 | 23,5 | 32,6 | 27,0 | 36,0 | 30,4 | 43,0 | 37,4 | 50,0 | 44,4 | 11,4 | 5,8 | |
| 30 | 10,5 | 3,8 | 14,0 | 7,3 | 17,5 | 10,8 | 21,0 | 14,2 | 24,4 | 17,7 | 27,9 | 21,2 | 31,4 | 24,7 | 34,9 | 28,2 | 41,8 | 35,1 | 48,8 | 42,1 | 13,6 | 6,9 | |||
| 35 | 12,8 | 5,0 | 16,3 | 8,5 | 19,8 | 12,0 | 23,3 | 15,4 | 26,8 | 18,9 | 30,3 | 22,4 | 33,7 | 25,9 | 40,7 | 32,9 | 47,7 | 39,8 | 15,9 | 8,1 | |||||
| 40 | 15,2 | 6,2 | 18,7 | 9,7 | 22,1 | 13,2 | 25,6 | 16,7 | 29,1 | 20,1 | 32,6 | 23,6 | 39,5 | 30,6 | 46,5 | 37,5 | 18,2 | 9,2 | |||||||
| 45 | 17,5 | 7,4 | 21,0 | 10,9 | 24,5 | 14,4 | 28,0 | 17,9 | 31,4 | 21,4 | 38,4 | 28,3 | 45,4 | 35,3 | 20,4 | 10,4 | |||||||||
| 50 | 19,8 | 8,6 | 23,3 | 12,1 | 26,8 | 15,6 | 30,3 | 19,1 | 37,2 | 26,0 | 44,2 | 33,0 | 22,7 | 11,5 | |||||||||||
| 55 | 22,2 | 9,8 | 25,7 | 13,3 | 29,1 | 16,8 | 36,1 | 23,8 | 43,1 | 30,7 | 25,0 | 12,7 | |||||||||||||
| 60 | 24,5 | 11,1 | 28,0 | 14,5 | 34,9 | 21,5 | 41,9 | 28,5 | 27,2 | 13,8 | |||||||||||||||
| RK60 | 20 | 14,2 | 7,4 | 19,5 | 12,7 | 24,9 | 18,1 | 30,2 | 23,4 | 35,5 | 28,7 | 40,8 | 34,0 | 46,1 | 39,3 | 51,4 | 44,6 | 56,7 | 49,9 | 67,3 | 60,5 | 77,9 | 71,1 | 13,8 | 7,0 |
| 25 | 12,5 | 4,0 | 17,8 | 9,3 | 23,1 | 14,6 | 28,4 | 19,9 | 33,7 | 25,2 | 39,0 | 30,5 | 44,3 | 35,8 | 49,7 | 41,2 | 55,0 | 46,5 | 65,6 | 57,1 | 76,2 | 67,7 | 17,3 | 8,8 | |
| 30 | 16,0 | 5,8 | 21,4 | 11,2 | 26,7 | 16,5 | 32,0 | 21,8 | 37,3 | 27,1 | 42,6 | 32,4 | 47,9 | 37,7 | 53,2 | 43,0 | 63,8 | 53,6 | 74,4 | 64,2 | 20,7 | 10,5 | |||
| 35 | 19,6 | 7,7 | 24,9 | 13,0 | 30,2 | 18,3 | 35,5 | 23,6 | 40,8 | 28,9 | 46,2 | 34,3 | 51,5 | 39,6 | 62,1 | 50,2 | 72,7 | 60,8 | 24,2 | 12,3 | |||||
| 40 | 23,2 | 9,6 | 28,5 | 14,9 | 33,8 | 20,2 | 39,1 | 25,5 | 44,4 | 30,8 | 49,7 | 36,1 | 60,3 | 46,7 | 70,9 | 57,3 | 27,6 | 14,0 | |||||||
| 45 | 26,7 | 11,4 | 32,0 | 16,7 | 37,3 | 22,0 | 42,7 | 27,4 | 48,0 | 32,7 | 58,6 | 43,3 | 69,2 | 53,9 | 31,1 | 15,8 | |||||||||
| 50 | 30,3 | 13,3 | 35,6 | 18,6 | 40,9 | 23,9 | 46,2 | 29,2 | 56,8 | 39,8 | 67,4 | 50,4 | 34,5 | 17,5 | |||||||||||
| 55 | 33,8 | 15,1 | 39,2 | 20,5 | 44,5 | 25,8 | 55,1 | 36,4 | 65,7 | 47,0 | 38,0 | 19,3 | |||||||||||||
| 60 | 37,4 | 17,0 | 42,7 | 22,3 | 53,3 | 32,9 | 63,9 | 43,5 | 41,4 | 21,0 | |||||||||||||||
| RK80 | 20 | 20,1 | 10,5 | 27,6 | 18,0 | 35,1 | 25,5 | 42,6 | 33,0 | 50,0 | 40,4 | 57,5 | 47,9 | 65,0 | 55,4 | 72,5 | 62,9 | 80,0 | 70,4 | 95,0 | 85,4 | 110,0 | 100,4 | 19,5 | 9,9 |
| 25 | 17,6 | 5,6 | 25,1 | 13,1 | 32,6 | 20,6 | 40,1 | 28,1 | 47,6 | 35,6 | 55,1 | 43,1 | 62,6 | 50,6 | 70,1 | 58,1 | 77,5 | 65,5 | 92,5 | 80,5 | 107,5 | 95,5 | 24,4 | 12,4 | |
| 30 | 22,6 | 8,2 | 30,1 | 15,7 | 37,6 | 23,2 | 45,1 | 30,7 | 52,6 | 38,2 | 60,1 | 45,7 | 67,6 | 53,2 | 75,1 | 60,7 | 90,1 | 75,7 | 105,0 | 90,6 | 29,2 | 14,8 | |||
| 35 | 27,7 | 10,9 | 35,1 | 18,3 | 42,6 | 25,8 | 50,1 | 33,3 | 57,6 | 40,8 | 65,1 | 48,3 | 72,6 | 55,8 | 87,6 | 70,8 | 102,6 | 85,8 | 34,1 | 17,3 | |||||
| 40 | 32,7 | 13,5 | 40,2 | 21,0 | 47,7 | 28,5 | 55,1 | 35,9 | 62,6 | 43,4 | 70,1 | 50,9 | 85,1 | 65,9 | 100,1 | 80,9 | 39,0 | 19,8 | |||||||
| 45 | 37,7 | 16,1 | 45,2 | 23,6 | 52,7 | 31,1 | 60,2 | 38,6 | 67,7 | 46,1 | 82,6 | 61,0 | 97,6 | 76,0 | 43,8 | 22,2 | |||||||||
| 50 | 42,7 | 18,7 | 50,2 | 26,2 | 57,7 | 33,7 | 65,2 | 41,2 | 80,2 | 56,2 | 95,2 | 71,2 | 48,7 | 24,7 | |||||||||||
| 55 | 47,7 | 21,3 | 55,2 | 28,8 | 62,7 | 36,3 | 77,7 | 51,3 | 92,7 | 66,3 | 53,6 | 27,2 | |||||||||||||
| 60 | 52,8 | 24,0 | 60,3 | 31,5 | 75,2 | 46,4 | 90,2 | 61,4 | 58,4 | 29,6 | |||||||||||||||
| RK120 | 20 | 28,7 | 14,9 | 39,3 | 25,6 | 50,0 | 36,3 | 60,7 | 46,9 | 71,3 | 57,6 | 82,0 | 68,3 | 92,7 | 79,0 | 103,4 | 89,6 | 114,0 | 100,3 | 135,4 | 121,7 | 156,7 | 143,0 | 27,8 | 14,0 |
| 25 | 25,1 | 8,0 | 35,8 | 18,7 | 46,5 | 29,3 | 57,2 | 40,0 | 67,8 | 50,7 | 78,5 | 61,4 | 89,2 | 72,0 | 99,9 | 82,7 | 110,5 | 93,4 | 131,9 | 114,7 | 153,2 | 136,1 | 34,7 | 17,6 | |
| 30 | 32,3 | 11,7 | 43,0 | 22,4 | 53,6 | 33,1 | 64,3 | 43,7 | 75,0 | 54,4 | 85,7 | 65,1 | 96,3 | 75,8 | 107,0 | 86,4 | 128,4 | 107,8 | 149,7 | 129,1 | 41,6 | 21,1 | |||
| 35 | 39,5 | 15,5 | 50,1 | 26,1 | 60,8 | 36,8 | 71,5 | 47,5 | 82,2 | 58,1 | 92,8 | 68,8 | 103,5 | 79,5 | 124,8 | 100,8 | 146,2 | 122,2 | 48,6 | 24,6 | |||||
| 40 | 46,6 | 19,2 | 57,3 | 29,9 | 68,0 | 40,5 | 78,6 | 51,2 | 89,3 | 61,9 | 100,0 | 72,6 | 121,3 | 93,9 | 142,7 | 115,2 | 55,5 | 28,1 | |||||||
| 45 | 53,8 | 22,9 | 64,5 | 33,6 | 75,1 | 44,3 | 85,8 | 54,9 | 96,5 | 65,6 | 117,8 | 87,0 | 139,2 | 108,3 | 62,5 | 31,6 | |||||||||
| 50 | 61,0 | 26,7 | 71,6 | 37,3 | 82,3 | 48,0 | 93,0 | 58,7 | 114,3 | 80,0 | 135,7 | 101,4 | 69,4 | 35,1 | |||||||||||
| 55 | 68,1 | 30,4 | 78,8 | 41,1 | 89,5 | 51,7 | 110,8 | 73,1 | 132,2 | 94,4 | 76,3 | 38,6 | |||||||||||||
| 60 | 75,3 | 34,1 | 86,0 | 44,8 | 107,3 | 66,1 | 128,6 | 87,5 | 83,3 | 42,1 | |||||||||||||||
| RK160 | 20 | 39,3 | 20,5 | 53,9 | 35,1 | 68,6 | 49,7 | 83,2 | 64,4 | 97,9 | 79,0 | 112,5 | 93,6 | 127,1 | 108,3 | 141,8 | 122,9 | 156,4 | 137,6 | 185,7 | 166,8 | 214,9 | 196,1 | 38,1 | 19,2 |
| 25 | 34,5 | 37,6 | 49,1 | 25,6 | 63,8 | 40,2 | 78,4 | 54,9 | 93,0 | 69,5 | 107,7 | 84,1 | 122,3 | 98,8 | 137,0 | 113,4 | 151,6 | 128,0 | 180,9 | 157,3 | 210,1 | 186,6 | 47,6 | 24,1 | |
| 30 | 44,3 | 16,1 | 59,0 | 30,7 | 73,6 | 45,3 | 88,2 | 60,0 | 102,9 | 74,6 | 117,5 | 89,2 | 132,1 | 103,9 | 146,8 | 118,5 | 176,0 | 147,8 | 205,3 | 177,1 | 57,1 | 28,9 | |||
| 35 | 54,1 | 21,2 | 68,8 | 35,8 | 83,4 | 50,5 | 98,1 | 65,1 | 112,7 | 79,7 | 127,3 | 94,4 | 142,0 | 109,0 | 171,2 | 138,3 | 200,5 | 167,5 | 66,6 | 33,7 | |||||
| 40 | 64,0 | 26,3 | 78,6 | 40,9 | 93,2 | 55,6 | 107,9 | 70,2 | 122,5 | 84,8 | 137,2 | 99,5 | 166,4 | 128,7 | 195,7 | 158,0 | 76,2 | 38,5 | |||||||
| 45 | 73,8 | 31,4 | 88,4 | 46,0 | 103,1 | 60,7 | 117,7 | 75,3 | 132,3 | 90,0 | 161,6 | 119,2 | 190,9 | 148,5 | 85,7 | 43,3 | |||||||||
| 50 | 83,6 | 36,5 | 98,3 | 51,2 | 112,9 | 65,8 | 127,5 | 80,4 | 156,8 | 109,7 | 186,1 | 139,0 | 95,2 | 48,1 | |||||||||||
| 55 | 93,5 | 41,6 | 108,1 | 56,3 | 122,7 | 70,9 | 152,0 | 100,2 | 181,3 | 129,5 | 104,7 | 52,9 | |||||||||||||
| 60 | 103,3 | 46,8 | 117,9 | 61,4 | 147,2 | 90,7 | 176,5 | 119,9 | 114,2 | 57,7 | |||||||||||||||
| RK240 | 20 | 57,2 | 29,8 | 78,5 | 51,1 | 99,8 | 72,4 | 121,1 | 93,7 | 142,4 | 115,0 | 163,7 | 136,3 | 185,0 | 157,6 | 206,3 | 178,9 | 227,6 | 200,2 | 270,2 | 242,8 | 312,8 | 285,4 | 55,4 | 28,0 |
| 25 | 50,2 | 16,0 | 71,5 | 37,3 | 92,8 | 58,6 | 114,1 | 79,9 | 135,4 | 101,2 | 156,7 | 122,5 | 178,0 | 143,8 | 199,3 | 165,1 | 220,6 | 186,4 | 263,2 | 229,0 | 305,8 | 271,6 | 69,2 | 35,0 | |
| 30 | 64,5 | 23,5 | 85,8 | 44,8 | 107,1 | 66,1 | 128,4 | 87,4 | 149,7 | 108,7 | 171,0 | 130,0 | 192,3 | 151,3 | 213,6 | 172,6 | 256,2 | 215,2 | 298,8 | 257,8 | 83,0 | 42,0 | |||
| 35 | 78,8 | 30,9 | 100,1 | 52,2 | 121,4 | 73,5 | 142,7 | 94,8 | 164,0 | 116,1 | 185,3 | 137,4 | 206,6 | 158,7 | 249,2 | 201,3 | 291,8 | 243,9 | 96,9 | 49,0 | |||||
| 40 | 93,1 | 38,4 | 114,4 | 59,7 | 135,7 | 81,0 | 157,0 | 102,3 | 178,3 | 123,6 | 199,6 | 144,9 | 242,2 | 187,5 | 284,8 | 230,1 | 110,7 | 56,0 | |||||||
| 45 | 107,4 | 45,8 | 128,7 | 67,1 | 150,0 | 88,4 | 171,3 | 109,7 | 192,6 | 131,0 | 235,2 | 173,6 | 277,8 | 216,2 | 124,6 | 63,0 | |||||||||
| 50 | 121,7 | 53,3 | 143,0 | 74,6 | 164,3 | 95,9 | 185,6 | 117,2 | 228,2 | 159,8 | 270,8 | 202,4 | 138,4 | 70,0 | |||||||||||
| 55 | 136,0 | 60,8 | 157,3 | 82,1 | 178,6 | 103,4 | 221,2 | 146,0 | 263,8 | 188,6 | 152,2 | 77,0 | |||||||||||||
| 60 | 150,3 | 68,2 | 171,6 | 89,5 | 214,2 | 132,1 | 256,8 | 174,7 | 166,1 | 84,0 | |||||||||||||||
| RK300 | 20 | 73,7 | 38,4 | 101,1 | 65,9 | 128,6 | 93,3 | 156,0 | 120,8 | 183,4 | 148,2 | 210,9 | 175,6 | 238,3 | 203,1 | 265,8 | 230,5 | 293,2 | 258,0 | 348,1 | 312,9 | 403,0 | 367,8 | 71,4 | 36,1 |
| 25 | 64,6 | 20,6 | 92,1 | 48,0 | 119,5 | 75,5 | 147,0 | 102,9 | 174,4 | 130,4 | 201,9 | 157,8 | 229,3 | 185,3 | 256,8 | 212,7 | 284,2 | 240,1 | 339,1 | 295,0 | 394,0 | 349,9 | 89,2 | 45,2 | |
| 30 | 83,0 | 30,2 | 110,5 | 57,6 | 137,9 | 85,1 | 165,4 | 112,5 | 192,8 | 140,0 | 220,3 | 167,4 | 247,7 | 194,9 | 275,2 | 222,3 | 330,1 | 277,2 | 384,9 | 332,1 | 107,0 | 54,2 | |||
| 35 | 101,5 | 39,8 | 128,9 | 67,2 | 156,4 | 94,7 | 183,8 | 122,1 | 211,2 | 149,6 | 238,7 | 177,0 | 266,1 | 204,5 | 321,0 | 259,4 | 375,9 | 314,2 | 124,9 | 63,2 | |||||
| 40 | 119,9 | 49,4 | 147,3 | 76,8 | 174,8 | 104,3 | 202,2 | 131,7 | 229,7 | 159,2 | 257,1 | 186,6 | 312,0 | 241,5 | 366,9 | 296,4 | 142,7 | 72,2 | |||||||
| 45 | 138,3 | 59,0 | 165,7 | 86,4 | 193,2 | 113,9 | 220,6 | 141,3 | 248,1 | 168,8 | 303,0 | 223,7 | 357,9 | 278,6 | 160,6 | 81,3 | |||||||||
| 50 | 156,7 | 68,6 | 184,2 | 96,1 | 211,6 | 123,5 | 239,0 | 150,9 | 293,9 | 205,8 | 348,8 | 260,7 | 178,4 | 90,3 | |||||||||||
| 55 | 175,1 | 78,2 | 202,6 | 105,7 | 230,0 | 133,1 | 284,9 | 188,0 | 339,8 | 242,9 | 196,2 | 99,3 | |||||||||||||
| 60 | 193,5 | 87,8 | 221,0 | 115,3 | 275,9 | 170,2 | 330,8 | 225,0 | 214,1 | 108,4 | |||||||||||||||
| RK480 | 20 | 115,7 | 60,3 | 158,8 | 103,4 | 201,9 | 146,5 | 245,0 | 189,6 | 288,0 | 232,7 | 331,1 | 275,8 | 374,2 | 318,9 | 417,3 | 362,0 | 460,4 | 405,1 | 546,6 | 491,2 | 632,8 | 577,4 | 112,0 | 56,7 |
| 25 | 101,5 | 32,3 | 144,6 | 75,4 | 187,7 | 118,5 | 230,8 | 161,6 | 273,9 | 204,7 | 317,0 | 247,8 | 360,1 | 290,9 | 403,2 | 334,0 | 446,2 | 377,0 | 532,4 | 463,2 | 618,6 | 549,4 | 140,1 | 70,9 | |
| 30 | 130,4 | 47,4 | 173,5 | 90,5 | 216,6 | 133,6 | 259,7 | 176,7 | 302,8 | 219,8 | 345,9 | 262,8 | 389,0 | 305,9 | 432,1 | 349,0 | 518,3 | 435,2 | 604,4 | 521,4 | 168,1 | 85,0 | |||
| 35 | 159,4 | 62,5 | 202,4 | 105,6 | 245,5 | 148,7 | 288,6 | 191,7 | 331,7 | 234,8 | 374,8 | 277,9 | 417,9 | 321,0 | 504,1 | 407,2 | 590,3 | 493,4 | 196,1 | 99,2 | |||||
| 40 | 188,3 | 77,6 | 231,4 | 120,6 | 274,5 | 163,7 | 317,5 | 206,8 | 360,6 | 249,9 | 403,7 | 293,0 | 489,9 | 379,2 | 576,1 | 465,4 | 224,1 | 113,4 | |||||||
| 45 | 217,2 | 92,6 | 260,3 | 135,7 | 303,4 | 178,8 | 346,5 | 221,9 | 389,6 | 265,0 | 475,7 | 351,2 | 561,9 | 437,4 | 252,1 | 127,5 | |||||||||
| 50 | 246,1 | 107,7 | 289,2 | 150,8 | 332,3 | 193,9 | 375,4 | 237,0 | 461,6 | 323,2 | 547,8 | 409,4 | 280,1 | 141,7 | |||||||||||
| 55 | 275,0 | 122,8 | 318,1 | 165,9 | 361,2 | 209,0 | 447,4 | 295,2 | 533,6 | 381,3 | 308,1 | 155,9 | |||||||||||||
| 60 | 304,0 | 137,9 | 347,1 | 181,0 | 433,2 | 267,2 | 519,4 | 353,3 | 336,1 | 170,0 | |||||||||||||||
Die grafische Darstellung dient zur groben Orientierung; für die Drehmomente siehe die unten angeführte Tabelle.
| TABELLE DREHMOMENT RACKON "GS" NO (Nm) | |||||||||||||||||||||||||
| Baugröße | Feder | Luft bar | Federmoment | ||||||||||||||||||||||
| 2 bar | 2,5 bar | 3 bar | 3,5 bar | 4 bar | 4,5 bar | 5 bar | 5,5 bar | 6 bar | 7 bar | 8 bar | |||||||||||||||
| 90° | 0° | 90° | 0° | 90° | 0° | 90° | 0° | 90° | 0° | 90° | 0° | 90° | 0° | 90° | 0° | 90° | 0° | 90° | 0° | 90° | 0° | 0° | 90° | ||
| RK20 | 20 | 4,9 | 2,5 | 6,7 | 4,4 | 8,6 | 6,2 | 10,4 | 8,0 | 12,2 | 9,9 | 14,0 | 11,7 | 15,9 | 13,5 | 17,7 | 15,3 | 19,5 | 17,2 | 23,2 | 20,8 | 26,8 | 24,5 | 4,8 | 2,4 |
| 25 | 4,3 | 1,4 | 6,1 | 3,2 | 8,0 | 5,0 | 9,8 | 6,8 | 11,6 | 8,7 | 13,4 | 10,5 | 15,3 | 12,3 | 17,1 | 14,2 | 18,9 | 16,0 | 22,6 | 19,6 | 26,2 | 23,3 | 6,0 | 3,0 | |
| 30 | 5,5 | 2,0 | 7,4 | 3,8 | 9,2 | 5,7 | 11,0 | 7,5 | 12,8 | 9,3 | 14,7 | 11,1 | 16,5 | 13,0 | 18,3 | 14,8 | 22,0 | 18,4 | 25,6 | 22,1 | 7,1 | 3,6 | |||
| 35 | 6,8 | 2,6 | 8,6 | 4,5 | 10,4 | 6,3 | 12,2 | 8,1 | 14,1 | 9,9 | 15,9 | 11,8 | 17,7 | 13,6 | 21,4 | 17,3 | 25,0 | 20,9 | 8,3 | 4,2 | |||||
| 40 | 8,0 | 3,3 | 9,8 | 5,1 | 11,6 | 6,9 | 13,5 | 8,8 | 15,3 | 10,6 | 17,1 | 12,4 | 20,8 | 16,1 | 24,4 | 19,7 | 9,5 | 4,8 | |||||||
| 45 | 9,2 | 3,9 | 11,0 | 5,7 | 12,9 | 7,6 | 14,7 | 9,4 | 16,5 | 11,2 | 20,2 | 14,9 | 23,8 | 18,5 | 10,7 | 5,4 | |||||||||
| 50 | 10,4 | 4,5 | 12,3 | 6,4 | 14,1 | 8,2 | 15,9 | 10,0 | 19,6 | 13,7 | 23,2 | 17,3 | 11,9 | 6,0 | |||||||||||
| 55 | 11,7 | 5,2 | 13,5 | 7,0 | 15,3 | 8,8 | 19,0 | 12,5 | 22,6 | 16,1 | 13,1 | 6,6 | |||||||||||||
| 60 | 12,9 | 5,8 | 14,7 | 7,6 | 18,4 | 11,3 | 22,0 | 15,0 | 14,3 | 7,2 | |||||||||||||||
| RK40 | 20 | 9,3 | 4,8 | 12,8 | 8,3 | 16,3 | 11,8 | 19,8 | 15,3 | 23,3 | 18,8 | 26,7 | 22,3 | 30,2 | 25,7 | 33,7 | 29,2 | 37,2 | 32,7 | 44,1 | 39,7 | 51,1 | 46,6 | 9,1 | 4,6 |
| 25 | 8,2 | 2,6 | 11,7 | 6,1 | 15,1 | 9,5 | 18,6 | 13,0 | 22,1 | 16,5 | 25,6 | 20,0 | 29,1 | 23,5 | 32,6 | 27,0 | 36,0 | 30,4 | 43,0 | 37,4 | 50,0 | 44,4 | 11,4 | 5,8 | |
| 30 | 10,5 | 3,8 | 14,0 | 7,3 | 17,5 | 10,8 | 21,0 | 14,2 | 24,4 | 17,7 | 27,9 | 21,2 | 31,4 | 24,7 | 34,9 | 28,2 | 41,8 | 35,1 | 48,8 | 42,1 | 13,6 | 6,9 | |||
| 35 | 12,8 | 5,0 | 16,3 | 8,5 | 19,8 | 12,0 | 23,3 | 15,4 | 26,8 | 18,9 | 30,3 | 22,4 | 33,7 | 25,9 | 40,7 | 32,9 | 47,7 | 39,8 | 15,9 | 8,1 | |||||
| 40 | 15,2 | 6,2 | 18,7 | 9,7 | 22,1 | 13,2 | 25,6 | 16,7 | 29,1 | 20,1 | 32,6 | 23,6 | 39,5 | 30,6 | 46,5 | 37,5 | 18,2 | 9,2 | |||||||
| 45 | 17,5 | 7,4 | 21,0 | 10,9 | 24,5 | 14,4 | 28,0 | 17,9 | 31,4 | 21,4 | 38,4 | 28,3 | 45,4 | 35,3 | 20,4 | 10,4 | |||||||||
| 50 | 19,8 | 8,6 | 23,3 | 12,1 | 26,8 | 15,6 | 30,3 | 19,1 | 37,2 | 26,0 | 44,2 | 33,0 | 22,7 | 11,5 | |||||||||||
| 55 | 22,2 | 9,8 | 25,7 | 13,3 | 29,1 | 16,8 | 36,1 | 23,8 | 43,1 | 30,7 | 25,0 | 12,7 | |||||||||||||
| 60 | 24,5 | 11,1 | 28,0 | 14,5 | 34,9 | 21,5 | 41,9 | 28,5 | 27,2 | 13,8 | |||||||||||||||
| RK60 | 20 | 14,2 | 7,4 | 19,5 | 12,7 | 24,9 | 18,1 | 30,2 | 23,4 | 35,5 | 28,7 | 40,8 | 34,0 | 46,1 | 39,3 | 51,4 | 44,6 | 56,7 | 49,9 | 67,3 | 60,5 | 77,9 | 71,1 | 13,8 | 7,0 |
| 25 | 12,5 | 4,0 | 17,8 | 9,3 | 23,1 | 14,6 | 28,4 | 19,9 | 33,7 | 25,2 | 39,0 | 30,5 | 44,3 | 35,8 | 49,7 | 41,2 | 55,0 | 46,5 | 65,6 | 57,1 | 76,2 | 67,7 | 17,3 | 8,8 | |
| 30 | 16,0 | 5,8 | 21,4 | 11,2 | 26,7 | 16,5 | 32,0 | 21,8 | 37,3 | 27,1 | 42,6 | 32,4 | 47,9 | 37,7 | 53,2 | 43,0 | 63,8 | 53,6 | 74,4 | 64,2 | 20,7 | 10,5 | |||
| 35 | 19,6 | 7,7 | 24,9 | 13,0 | 30,2 | 18,3 | 35,5 | 23,6 | 40,8 | 28,9 | 46,2 | 34,3 | 51,5 | 39,6 | 62,1 | 50,2 | 72,7 | 60,8 | 24,2 | 12,3 | |||||
| 40 | 23,2 | 9,6 | 28,5 | 14,9 | 33,8 | 20,2 | 39,1 | 25,5 | 44,4 | 30,8 | 49,7 | 36,1 | 60,3 | 46,7 | 70,9 | 57,3 | 27,6 | 14,0 | |||||||
| 45 | 26,7 | 11,4 | 32,0 | 16,7 | 37,3 | 22,0 | 42,7 | 27,4 | 48,0 | 32,7 | 58,6 | 43,3 | 69,2 | 53,9 | 31,1 | 15,8 | |||||||||
| 50 | 30,3 | 13,3 | 35,6 | 18,6 | 40,9 | 23,9 | 46,2 | 29,2 | 56,8 | 39,8 | 67,4 | 50,4 | 34,5 | 17,5 | |||||||||||
| 55 | 33,8 | 15,1 | 39,2 | 20,5 | 44,5 | 25,8 | 55,1 | 36,4 | 65,7 | 47,0 | 38,0 | 19,3 | |||||||||||||
| 60 | 37,4 | 17,0 | 42,7 | 22,3 | 53,3 | 32,9 | 63,9 | 43,5 | 41,4 | 21,0 | |||||||||||||||
| RK80 | 20 | 20,1 | 10,5 | 27,6 | 18,0 | 35,1 | 25,5 | 42,6 | 33,0 | 50,0 | 40,4 | 57,5 | 47,9 | 65,0 | 55,4 | 72,5 | 62,9 | 80,0 | 70,4 | 95,0 | 85,4 | 110,0 | 100,4 | 19,5 | 9,9 |
| 25 | 17,6 | 5,6 | 25,1 | 13,1 | 32,6 | 20,6 | 40,1 | 28,1 | 47,6 | 35,6 | 55,1 | 43,1 | 62,6 | 50,6 | 70,1 | 58,1 | 77,5 | 65,5 | 92,5 | 80,5 | 107,5 | 95,5 | 24,4 | 12,4 | |
| 30 | 22,6 | 8,2 | 30,1 | 15,7 | 37,6 | 23,2 | 45,1 | 30,7 | 52,6 | 38,2 | 60,1 | 45,7 | 67,6 | 53,2 | 75,1 | 60,7 | 90,1 | 75,7 | 105,0 | 90,6 | 29,2 | 14,8 | |||
| 35 | 27,7 | 10,9 | 35,1 | 18,3 | 42,6 | 25,8 | 50,1 | 33,3 | 57,6 | 40,8 | 65,1 | 48,3 | 72,6 | 55,8 | 87,6 | 70,8 | 102,6 | 85,8 | 34,1 | 17,3 | |||||
| 40 | 32,7 | 13,5 | 40,2 | 21,0 | 47,7 | 28,5 | 55,1 | 35,9 | 62,6 | 43,4 | 70,1 | 50,9 | 85,1 | 65,9 | 100,1 | 80,9 | 39,0 | 19,8 | |||||||
| 45 | 37,7 | 16,1 | 45,2 | 23,6 | 52,7 | 31,1 | 60,2 | 38,6 | 67,7 | 46,1 | 82,6 | 61,0 | 97,6 | 76,0 | 43,8 | 22,2 | |||||||||
| 50 | 42,7 | 18,7 | 50,2 | 26,2 | 57,7 | 33,7 | 65,2 | 41,2 | 80,2 | 56,2 | 95,2 | 71,2 | 48,7 | 24,7 | |||||||||||
| 55 | 47,7 | 21,3 | 55,2 | 28,8 | 62,7 | 36,3 | 77,7 | 51,3 | 92,7 | 66,3 | 53,6 | 27,2 | |||||||||||||
| 60 | 52,8 | 24,0 | 60,3 | 31,5 | 75,2 | 46,4 | 90,2 | 61,4 | 58,4 | 29,6 | |||||||||||||||
| RK120 | 20 | 28,7 | 14,9 | 39,3 | 25,6 | 50,0 | 36,3 | 60,7 | 46,9 | 71,3 | 57,6 | 82,0 | 68,3 | 92,7 | 79,0 | 103,4 | 89,6 | 114,0 | 100,3 | 135,4 | 121,7 | 156,7 | 143,0 | 27,8 | 14,0 |
| 25 | 25,1 | 8,0 | 35,8 | 18,7 | 46,5 | 29,3 | 57,2 | 40,0 | 67,8 | 50,7 | 78,5 | 61,4 | 89,2 | 72,0 | 99,9 | 82,7 | 110,5 | 93,4 | 131,9 | 114,7 | 153,2 | 136,1 | 34,7 | 17,6 | |
| 30 | 32,3 | 11,7 | 43,0 | 22,4 | 53,6 | 33,1 | 64,3 | 43,7 | 75,0 | 54,4 | 85,7 | 65,1 | 96,3 | 75,8 | 107,0 | 86,4 | 128,4 | 107,8 | 149,7 | 129,1 | 41,6 | 21,1 | |||
| 35 | 39,5 | 15,5 | 50,1 | 26,1 | 60,8 | 36,8 | 71,5 | 47,5 | 82,2 | 58,1 | 92,8 | 68,8 | 103,5 | 79,5 | 124,8 | 100,8 | 146,2 | 122,2 | 48,6 | 24,6 | |||||
| 40 | 46,6 | 19,2 | 57,3 | 29,9 | 68,0 | 40,5 | 78,6 | 51,2 | 89,3 | 61,9 | 100,0 | 72,6 | 121,3 | 93,9 | 142,7 | 115,2 | 55,5 | 28,1 | |||||||
| 45 | 53,8 | 22,9 | 64,5 | 33,6 | 75,1 | 44,3 | 85,8 | 54,9 | 96,5 | 65,6 | 117,8 | 87,0 | 139,2 | 108,3 | 62,5 | 31,6 | |||||||||
| 50 | 61,0 | 26,7 | 71,6 | 37,3 | 82,3 | 48,0 | 93,0 | 58,7 | 114,3 | 80,0 | 135,7 | 101,4 | 69,4 | 35,1 | |||||||||||
| 55 | 68,1 | 30,4 | 78,8 | 41,1 | 89,5 | 51,7 | 110,8 | 73,1 | 132,2 | 94,4 | 76,3 | 38,6 | |||||||||||||
| 60 | 75,3 | 34,1 | 86,0 | 44,8 | 107,3 | 66,1 | 128,6 | 87,5 | 83,3 | 42,1 | |||||||||||||||
| RK160 | 20 | 39,3 | 20,5 | 53,9 | 35,1 | 68,6 | 49,7 | 83,2 | 64,4 | 97,9 | 79,0 | 112,5 | 93,6 | 127,1 | 108,3 | 141,8 | 122,9 | 156,4 | 137,6 | 185,7 | 166,8 | 214,9 | 196,1 | 38,1 | 19,2 |
| 25 | 34,5 | 37,6 | 49,1 | 25,6 | 63,8 | 40,2 | 78,4 | 54,9 | 93,0 | 69,5 | 107,7 | 84,1 | 122,3 | 98,8 | 137,0 | 113,4 | 151,6 | 128,0 | 180,9 | 157,3 | 210,1 | 186,6 | 47,6 | 24,1 | |
| 30 | 44,3 | 16,1 | 59,0 | 30,7 | 73,6 | 45,3 | 88,2 | 60,0 | 102,9 | 74,6 | 117,5 | 89,2 | 132,1 | 103,9 | 146,8 | 118,5 | 176,0 | 147,8 | 205,3 | 177,1 | 57,1 | 28,9 | |||
| 35 | 54,1 | 21,2 | 68,8 | 35,8 | 83,4 | 50,5 | 98,1 | 65,1 | 112,7 | 79,7 | 127,3 | 94,4 | 142,0 | 109,0 | 171,2 | 138,3 | 200,5 | 167,5 | 66,6 | 33,7 | |||||
| 40 | 64,0 | 26,3 | 78,6 | 40,9 | 93,2 | 55,6 | 107,9 | 70,2 | 122,5 | 84,8 | 137,2 | 99,5 | 166,4 | 128,7 | 195,7 | 158,0 | 76,2 | 38,5 | |||||||
| 45 | 73,8 | 31,4 | 88,4 | 46,0 | 103,1 | 60,7 | 117,7 | 75,3 | 132,3 | 90,0 | 161,6 | 119,2 | 190,9 | 148,5 | 85,7 | 43,3 | |||||||||
| 50 | 83,6 | 36,5 | 98,3 | 51,2 | 112,9 | 65,8 | 127,5 | 80,4 | 156,8 | 109,7 | 186,1 | 139,0 | 95,2 | 48,1 | |||||||||||
| 55 | 93,5 | 41,6 | 108,1 | 56,3 | 122,7 | 70,9 | 152,0 | 100,2 | 181,3 | 129,5 | 104,7 | 52,9 | |||||||||||||
| 60 | 103,3 | 46,8 | 117,9 | 61,4 | 147,2 | 90,7 | 176,5 | 119,9 | 114,2 | 57,7 | |||||||||||||||
| RK240 | 20 | 57,2 | 29,8 | 78,5 | 51,1 | 99,8 | 72,4 | 121,1 | 93,7 | 142,4 | 115,0 | 163,7 | 136,3 | 185,0 | 157,6 | 206,3 | 178,9 | 227,6 | 200,2 | 270,2 | 242,8 | 312,8 | 285,4 | 55,4 | 28,0 |
| 25 | 50,2 | 16,0 | 71,5 | 37,3 | 92,8 | 58,6 | 114,1 | 79,9 | 135,4 | 101,2 | 156,7 | 122,5 | 178,0 | 143,8 | 199,3 | 165,1 | 220,6 | 186,4 | 263,2 | 229,0 | 305,8 | 271,6 | 69,2 | 35,0 | |
| 30 | 64,5 | 23,5 | 85,8 | 44,8 | 107,1 | 66,1 | 128,4 | 87,4 | 149,7 | 108,7 | 171,0 | 130,0 | 192,3 | 151,3 | 213,6 | 172,6 | 256,2 | 215,2 | 298,8 | 257,8 | 83,0 | 42,0 | |||
| 35 | 78,8 | 30,9 | 100,1 | 52,2 | 121,4 | 73,5 | 142,7 | 94,8 | 164,0 | 116,1 | 185,3 | 137,4 | 206,6 | 158,7 | 249,2 | 201,3 | 291,8 | 243,9 | 96,9 | 49,0 | |||||
| 40 | 93,1 | 38,4 | 114,4 | 59,7 | 135,7 | 81,0 | 157,0 | 102,3 | 178,3 | 123,6 | 199,6 | 144,9 | 242,2 | 187,5 | 284,8 | 230,1 | 110,7 | 56,0 | |||||||
| 45 | 107,4 | 45,8 | 128,7 | 67,1 | 150,0 | 88,4 | 171,3 | 109,7 | 192,6 | 131,0 | 235,2 | 173,6 | 277,8 | 216,2 | 124,6 | 63,0 | |||||||||
| 50 | 121,7 | 53,3 | 143,0 | 74,6 | 164,3 | 95,9 | 185,6 | 117,2 | 228,2 | 159,8 | 270,8 | 202,4 | 138,4 | 70,0 | |||||||||||
| 55 | 136,0 | 60,8 | 157,3 | 82,1 | 178,6 | 103,4 | 221,2 | 146,0 | 263,8 | 188,6 | 152,2 | 77,0 | |||||||||||||
| 60 | 150,3 | 68,2 | 171,6 | 89,5 | 214,2 | 132,1 | 256,8 | 174,7 | 166,1 | 84,0 | |||||||||||||||
| RK300 | 20 | 73,7 | 38,4 | 101,1 | 65,9 | 128,6 | 93,3 | 156,0 | 120,8 | 183,4 | 148,2 | 210,9 | 175,6 | 238,3 | 203,1 | 265,8 | 230,5 | 293,2 | 258,0 | 348,1 | 312,9 | 403,0 | 367,8 | 71,4 | 36,1 |
| 25 | 64,6 | 20,6 | 92,1 | 48,0 | 119,5 | 75,5 | 147,0 | 102,9 | 174,4 | 130,4 | 201,9 | 157,8 | 229,3 | 185,3 | 256,8 | 212,7 | 284,2 | 240,1 | 339,1 | 295,0 | 394,0 | 349,9 | 89,2 | 45,2 | |
| 30 | 83,0 | 30,2 | 110,5 | 57,6 | 137,9 | 85,1 | 165,4 | 112,5 | 192,8 | 140,0 | 220,3 | 167,4 | 247,7 | 194,9 | 275,2 | 222,3 | 330,1 | 277,2 | 384,9 | 332,1 | 107,0 | 54,2 | |||
| 35 | 101,5 | 39,8 | 128,9 | 67,2 | 156,4 | 94,7 | 183,8 | 122,1 | 211,2 | 149,6 | 238,7 | 177,0 | 266,1 | 204,5 | 321,0 | 259,4 | 375,9 | 314,2 | 124,9 | 63,2 | |||||
| 40 | 119,9 | 49,4 | 147,3 | 76,8 | 174,8 | 104,3 | 202,2 | 131,7 | 229,7 | 159,2 | 257,1 | 186,6 | 312,0 | 241,5 | 366,9 | 296,4 | 142,7 | 72,2 | |||||||
| 45 | 138,3 | 59,0 | 165,7 | 86,4 | 193,2 | 113,9 | 220,6 | 141,3 | 248,1 | 168,8 | 303,0 | 223,7 | 357,9 | 278,6 | 160,6 | 81,3 | |||||||||
| 50 | 156,7 | 68,6 | 184,2 | 96,1 | 211,6 | 123,5 | 239,0 | 150,9 | 293,9 | 205,8 | 348,8 | 260,7 | 178,4 | 90,3 | |||||||||||
| 55 | 175,1 | 78,2 | 202,6 | 105,7 | 230,0 | 133,1 | 284,9 | 188,0 | 339,8 | 242,9 | 196,2 | 99,3 | |||||||||||||
| 60 | 193,5 | 87,8 | 221,0 | 115,3 | 275,9 | 170,2 | 330,8 | 225,0 | 214,1 | 108,4 | |||||||||||||||
| RK480 | 20 | 115,7 | 60,3 | 158,8 | 103,4 | 201,9 | 146,5 | 245,0 | 189,6 | 288,0 | 232,7 | 331,1 | 275,8 | 374,2 | 318,9 | 417,3 | 362,0 | 460,4 | 405,1 | 546,6 | 491,2 | 632,8 | 577,4 | 112,0 | 56,7 |
| 25 | 101,5 | 32,3 | 144,6 | 75,4 | 187,7 | 118,5 | 230,8 | 161,6 | 273,9 | 204,7 | 317,0 | 247,8 | 360,1 | 290,9 | 403,2 | 334,0 | 446,2 | 377,0 | 532,4 | 463,2 | 618,6 | 549,4 | 140,1 | 70,9 | |
| 30 | 130,4 | 47,4 | 173,5 | 90,5 | 216,6 | 133,6 | 259,7 | 176,7 | 302,8 | 219,8 | 345,9 | 262,8 | 389,0 | 305,9 | 432,1 | 349,0 | 518,3 | 435,2 | 604,4 | 521,4 | 168,1 | 85,0 | |||
| 35 | 159,4 | 62,5 | 202,4 | 105,6 | 245,5 | 148,7 | 288,6 | 191,7 | 331,7 | 234,8 | 374,8 | 277,9 | 417,9 | 321,0 | 504,1 | 407,2 | 590,3 | 493,4 | 196,1 | 99,2 | |||||
| 40 | 188,3 | 77,6 | 231,4 | 120,6 | 274,5 | 163,7 | 317,5 | 206,8 | 360,6 | 249,9 | 403,7 | 293,0 | 489,9 | 379,2 | 576,1 | 465,4 | 224,1 | 113,4 | |||||||
| 45 | 217,2 | 92,6 | 260,3 | 135,7 | 303,4 | 178,8 | 346,5 | 221,9 | 389,6 | 265,0 | 475,7 | 351,2 | 561,9 | 437,4 | 252,1 | 127,5 | |||||||||
| 50 | 246,1 | 107,7 | 289,2 | 150,8 | 332,3 | 193,9 | 375,4 | 237,0 | 461,6 | 323,2 | 547,8 | 409,4 | 280,1 | 141,7 | |||||||||||
| 55 | 275,0 | 122,8 | 318,1 | 165,9 | 361,2 | 209,0 | 447,4 | 295,2 | 533,6 | 381,3 | 308,1 | 155,9 | |||||||||||||
| 60 | 304,0 | 137,9 | 347,1 | 181,0 | 433,2 | 267,2 | 519,4 | 353,3 | 336,1 | 170,0 | |||||||||||||||
FUNKTIONSSCHEMA
In der einfachwirkenden Version kehrt der Stellantrieb ohne Versorgungsdruck automatisch in die Ruheposition zurück, wobei die Welle sich im Uhrzeigersinn dreht. In der Zeichnung wird die Endposition dargestellt. Setzen Sie einen kleinen Filter in die Öffnung 4 ein, um zu verhindern, dass Staub oder feste Partikel in die Zylinderkammer gelangen, ohne dabei jedoch den Luftdurchgang zu versperren.
FUNKTIONSSCHEMA
Durch Einleiten von Luft in die Versorgungsöffnung 2 bewegen sich die Kolben zur Außenseite und drücken auf die Federn. Es erfolgt eine Drehung der Welle gegen den Uhrzeigersinn. In der Zeichnung wird die Endposition dargestellt.
FUNKTIONSSCHEMA
In der einfachwirkenden Version kehrt der Stellantrieb ohne Versorgungsdruck automatisch in die Ruheposition zurück, wobei die Welle sich gegen den Uhrzeigersinn dreht. In der Zeichnung wird die Endposition dargestellt. Setzen Sie einen kleinen Filter in die Öffnung 4 ein, um zu verhindern, dass Staub oder feste Partikel in die Zylinderkammer gelangen, ohne dabei jedoch den Luftdurchgang zu versperren.
FUNKTIONSSCHEMA
Durch Einleiten von Luft in die Versorgungsöffnung 2 bewegen sich die Kolben zur Außenseite und drücken auf die Federn. Es erfolgt eine Drehung der Welle im Uhrzeigersinn. In der Zeichnung wird die Endposition dargestellt.
ANLEITUNG FÜR DIE HUBEINSTELLUNG DES EINFACHWIRKENDEN STELLANTRIEBS NC
A) Stellen Sie sicher, dass der Filter in Öffnung 4 montiert und nicht blockiert ist. Stellen Sie sicher, dass sich keine Druckluft im Stellantrieb befindet (in keiner der beiden Kammern).
B) Die Gegenmutter A1 lösen.
C) Luft mit niedrigem Druck (ausreichend für Bewegung) in das Loch „2“ einlassen, damit sich die Kolben in die Endposition bewegen.
D) Mit einem Inbusschlüssel die Justierschraube A festziehen oder lockern, um die gewünschte Einstellung zu erhalten (maximaler Einstellbereich ±5°).
E) Sobald die gewünschte Einstellung erreicht wurden, die Justierschraube A mit einem Inbusschlüssel blockieren, während die Gegenmutter A1 mit einem Schraubenschlüssel festgezogen wird.
HINWEIS Eventuell die Tätigkeiten wiederholen, bis die gewünschte Einstellung erzielt wird.
A) Sicherstellen, dass keine Druckluft im Stellantrieb vorhanden ist (in keiner der beiden Kammern).
B) Lösen Sie die Gegenmutter B1.
C) Mit einem Inbusschlüssel die Justierschraube B festziehen oder lockern, um die gewünschte Einstellung zu erhalten (maximaler Einstellbereich ± 5°).
D) Sobald die gewünschte Einstellung erreicht wurde, die Justierschraube B mit einem Inbusschlüssel blockieren, während die Gegenmutter B1 mit einem Schraubenschlüssel festgezogen werden muss.
HINWEIS Wiederholen Sie diese Schritte gegebenenfalls, bis die gewünschte Einstellung erzielt wird.
ANLEITUNG FÜR DIE HUBEINSTELLUNG DES EINFACHWIRKENDEN STELLANTRIEBS NO
A) Stellen Sie sicher, dass sich keine Druckluft im Stellantrieb befindet (in keiner der beiden Kammern).
B) Unterbrechen Sie die Druckluftzufuhr.
C) Lösen Sie die Gegenmutter A1.
D) Mit einem Inbusschlüssel die Justierschraube A festziehen oder lockern, um die gewünschte Einstellung zu erhalten (maximaler Einstellbereich ±5°).
E) Sobald die gewünschte Einstellung erreicht wurden, die Justierschraube A mit einem Inbusschlüssel blockieren, während die Gegenmutter A1 mit einem Schraubenschlüssel festgezogen wird.
HINWEIS Eventuell die Tätigkeiten wiederholen, bis die gewünschte Einstellung erzielt wird.
A) Stellen Sie sicher, dass der Filter in Öffnung 4 montiert und nicht blockiert ist. Stellen Sie sicher, dass sich keine Druckluft im Stellantrieb befindet (in keiner der beiden Kammern).
B) Die Gegenmutter B1 lösen.
C) Luft mit niedrigem Druck (ausreichend für Bewegung) in das Loch „2“ einlassen, damit sich die Kolben in die Endposition bewegen.
D) Mit einem Inbusschlüssel die Justierschraube B festziehen oder lockern, um die gewünschte Einstellung zu erhalten (maximaler Einstellbereich ±5°).
E) Sobald die gewünschte Einstellung erreicht wurden, die Justierschraube B mit einem Inbusschlüssel blockieren, während die Gegenmutter B1 mit einem Schraubenschlüssel festgezogen wird.
HINWEIS Eventuell die Tätigkeiten wiederholen, bis die gewünschte Einstellung erzielt wird.
NÄCHSTES EVENT