https://www.actuatech.de/images/testate/pRY0nc_slide1.jpg

RP - doppeltwirkend DA

  • eigenschaften
  • abmessungen
  • werkstoffe
  • diagramme und anlaufmomente
  • merkmale
  • dokumente

TECHNISCHE DATEN
• Drehmoment von 10 bis 474 Nm.
• Flanschanschluss: EN ISO 5211: F03 - F04 - F05 - F07 - F10 - F12.
• Gemäß EN 15714-3.
• Gemäß der ATEX-Richtlinie 2014/34/EU.
• Schwenkwinkel: 100° (-5°, +95°).
• Doppelte Einstellung -5° und +5° für jeden Endanschlag (0 und 90°).
• Drehmoment: Direkt proportional zum Versorgungsdruck (siehe Tabelle).
• Bei jedem Antrieb entspricht der Wert, der der Abkürzung RP folgt, dem Wert des Anlaufmoments in Nm bei einem Druck von 5,6 bar.

BETRIEBSBEDINGUNGEN
• Betriebstemperatur: -20 bis +80°C.
    Spezialausführungen:
    - hohe Temperatur: -20°C +150°C.
    - niedrige Temperatur: -50°C +60°C.
• Nenndruck: 5,5 bar; maximaler Betriebsdruck 8 bar.
• Zufuhrmedium: gefilterte Druckluft, nicht unbedingt geölt; gemäß UNI EN 15714-3:2009.
• Bei Schmierung ein für die Innendichtungen geeignetes, reinigendes Öl verwenden.

SONDERAUSFÜHRUNG AUF ANFRAGE, KODIERUNGSSCHLÜSSEL


EIGENSCHAFT
Schwingender Stellantrieb
RP
Größe
0010, 0020, 0040, 0060, 0080, 00120, 00160, 0240, 0300, 0480
Kunde
VA
ACTUATECH
Schwenkwinkel [°]
A90°
B*180°
C*120°
D*135°
Schließrichtung
RSchließung bei Rechtsdrehung
LSchließung bei Linksdrehung
Funktionsweise
SEinfachwirkend NC (stromlos geschlossen)
OEinfachwirkend NO (stromlos offen)
DDoppeltwirkend
Verwendete Federn
00Ohne Federn
20Federn für 2,0 bar
25Federn für 2,5 bar
30Federn für 3,0 bar
35Federn für 3,5 bar
40Federn für 4,0 bar
45Federn für 4,5 bar
50Federn für 5,0 bar
55Federn für 5,5 bar
60Federn für 6,0 bar
Flanschtyp, kleiner bei
Doppelflansch
03F03
04F04
05F05
07F07
10F10
12F12
Form des unteren Wellensitzes
QSternwelle
D*Doppelte flache Welle
Sitzgröße der unteren Welle
09Kasten mit Abmessungen 9 mm
11Kasten mit Abmessungen 11 mm
14Kasten mit Abmessungen 14 mm
17Kasten mit Abmessungen 17 mm
22Kasten mit Abmessungen 22 mm
27Kasten mit Abmessungen 27 mm
Druckluftanschluss
GAnschlussplatte Namur, GAS-Gewinde
NAnschlussplatte Namur, NPT-Gewinde
0Gasgewinde am Zylinder ohne Anschlussplatte
(keine Namur-Schnittstelle).
INamur-Schnittstelle, integrierte Gas-Gewinde
Ausführung
-Standard
6*Niedrige Temperatur
4*Hohe Temperatur

* Nur auf Anfrage.
HINWEIS Für Spezialausführungen wenden Sie sich an ACTUATECH.



CODIERUNGSBEISPIEL FÜR RP

Kodierungsschlüssel: RP0040VAARD0005Q11G
Beschreibung des Produkts: RP 40 DOPPELTWIRKEND ISO F05 07 STERNWELLE 11 mm MIT ANSCHLUSSPLATTE NAMUR GAS.

Kodierungsschlüssel: RP0300VAARD0007Q22I
Beschreibung des Produkts: RP 300 DOPPELTWIRKEND ISO F07 10 STERNWELLE 22 mm MIT NAMUR-SCHNITTSTELLE GAS INTEGRIERT IM ZYLINDER.

KodierungsschlüsselRP0040VAARS6005Q11G
Beschreibung des Produkts: RP 40 EINFACHWIRKEND MIT 6 BAR ISO F05 07 STERNWELLE 11 mm MIT ANSCHLUSSPLATTE NAMUR GAS.

Kodierungsschlüssel: RP0300VAARS6007Q22I
Beschreibung des Produkts: RP 300 EINFACHWIRKEND MIT 6 BAR ISO F07 10 STERNWELLE 22 mm MIT NAMUR-SCHNITTSTELLE GAS INTEGRIERT IM ZYLINDER.

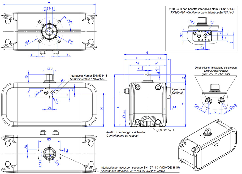
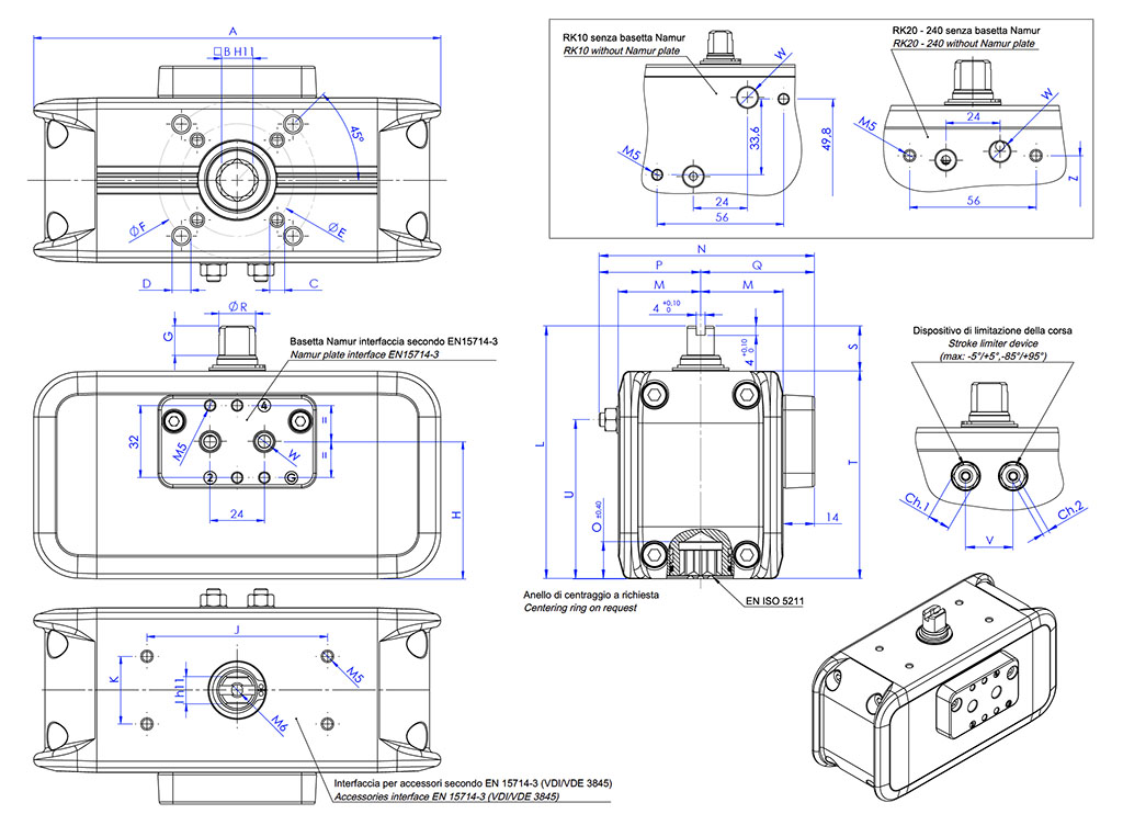
RP10 ÷ RP240

ABMESSUNGEN [mm]
Baugröße
RP10RP10RP20RP20RP20RP20RP40RP40RP40RP40RP60RP80RP120RP160RP240
ISOF03F04F03/F05F03/F05F04F04F04F04F05/F07F05/F07F05/F07
F05/F07
F05/F07
F07/F10F07/F10
A121,7
121,7
153,7
153,7
153,7
153,7
180,4
180,4
180,4
180,4
215,4
235,5
265,9
285,9
318,4
B9
9
911911
11
14
11
141417172222
C x TiefeM5x8
M5x8
M5x8
M5x8
M5x8
M5x8
M5x8
M5x8
M6x9
M6x9
M6x9
M6x9
M6x9
M8x12
M8x12
D x Tiefe--M6x9
M6x9
----M8x12
M8x12
M8x12
M8x12
M8x12M10x15
M10x15
E36
4236
36
4242424250
50
50
50
50
7070
F--5050----70
70
70
70
70
102102
G101010101010
1313
13
13
13
13
13
13
19,5
H333350,950,950,9
50,9
60,8
60,8
60,8
60,8
68,7
75,6
87,6
97,5
112
I999999
12
12
12
12
12
15151922
J505080808080
80
80
80
80
80
80
80
80
80
K252530303030
30
30
30
30
30
30
30
30
30
L8080100100100100
112
112
112
112
122
130143154180
M24,524,530303030
36,5
36,5
36,5
36,5
41,5
46
51
56,5
64
N71*
71*
82,5*
82,5*
82,5*82,5*
95,5*
95,5*
95,5*
95,5*
107,8*
116,5*
127*
141*
159*
O10,7
10,7
13,213,2
13,2
13,2
16,5
16,5
16,5
16,5
16,5
19,3
19,3
24,3
24,3
P32,5*
32,5*
38,5*38,5*
38,5*
38,5*
45*
45*
45*
45*
52,3*
56,5*
62*
70,5*
81*
Q38,5
38,5
4444
44
44
50,5
50,5
50,5
50,5
55,5606570,578
R10,9
10,9
12,712,7
12,7
12,7
16,2
16,2
16,2
16,2
1820,222,525,531,8
S15
152020
20
20
20
20
20
20
20
20
20
20
30
T65658080
80
80
92
92
92
92102110123134150
U494959,7559,75
59,75
59,75
70,5
70,5
70,5
70,5
70,5
8697,75106,25120,5
V16161919
19
19
21
21
21
212426323641
W Standardausführung (GAS)
1/8"
1/8"
1/8"
1/8"
1/8"
1/8"
1/8"
1/8"
1/8"
1/8"
1/8"
1/8"
1/4"
1/4"
1/4"
W Sonderausführung (NPT)
1/8"-27
1/8"-27
1/8"-27
1/8"-27
1/8"-27
1/8"-27
1/8"-27
1/8"-27
1/8"-27
1/8"-27
1/8"-27
1/8"-27
1/4"-18
1/4"-18
1/4"-18
Ch.11010101010
1010
1010
10
1313131618
Ch.23333333
33344456
Gewicht (kg)
0,90,91,41,41,41,42,1
2,12,12,1
2,93,75,16,59
Luft (dm³/Zyklus)
0,120,120,250,250,250,250,48
0,480,48
0,48
0,75
1,04
1,481,99
2,91
Z49,849,8
59,959,959,959,969,8
69,869,8
69,8
77,7
84,6
96,6
106,6
121
W1/8"
1/8"
1/8"
1/8"
1/8"
1/8"
1/8"
1/8"
1/8"
1/8"
1/8"
1/8"
1/4"
1/4"
1/4"

H = MITTE DER ANSCHLUSSPLATTENBEFESTIGUNGEN.
* Variabel je nach Einstellung.

RP300 ÷ RP480

ABMESSUNGEN [mm]
Baugröße
RP300RP480
ISOF07/F10
F10/F12
A352,4
393,4
B22
27
C x TiefeM8x12
M10x15
D x TiefeM10x15
M12x18
E70
102
F102
125
G19,5
19,5
H125
145
I2227
L192214
M69,580
N156,5*180*
O24,329,5
P87*100*
Q83,594
R31,838
S3030
T162184
U131149,5
V4652
W Standardausführung (GAS)
1/4"1/4"
W Sonderausführung (NPT)
1/4"-18
1/4"-18
Ch.11821
Ch.266
Gewicht (kg)
11,416,3
Luft (dm³/Zyklus)
3,775,8
Z124,5144,5
W1/4"
1/4"


H = MITTE DER ANSCHLUSSPLATTENBEFESTIGUNGEN.
* Variabel je nach Einstellung.

RP10 ÷ RP480

WERKSTOFFE
Pos.
Beschreibung
Menge
Werkstoff
1Zylinder
1Aluminiumlegierung
2Welle
1Edelstahl
3*Schelle (obere Wellenhalterung)
1Acetalharz
4*Schelle (untere Wellenhalterung)
1Acetalharz
5*O-Ring (untere Wellendichtung)
1Nitrilkautschuk
6Nocken
1Edelstahl
7*Ring innere Halterung
1Acetalharz
8*Äußerer Stützring
1Acetalharz
9Unterlegscheibe
1Edelstahl
10*Seeger-Ring
1Edelstahl
11*O-Ring**
2Nitrilkautschuk
12*O-Ring obere Welle
1Nitrilkautschuk
13Anschlussplatte Namur**
1Aluminiumlegierung
14Schrauben**
2Edelstahl
15*O-Ring
2Nitrilkautschuk
16*Scheibe (Hubeinstellung)
2Edelstahl
17*Mutter (Hubeinstellung)
2Edelstahl
18*Justierschraube
2Edelstahl
19Kolben
2Aluminiumlegierung
20*Kolbenstützhalterung
4Acetalharz
21*Dichtring
2Polyurethan
22*O-ring
2Nitrilkautschuk
23*O-Ring Kappe
2Nitrilkautschuk
24Kappe
2Aluminiumlegierung
25Schrauben
8Edelstahl

* Bestandteile des Ersatzteilsatzes.
** Fehlt für einige Modelle, siehe Tabelle der Artikelnummern.

DIAGRAMM DREHMOMENT „DA“ (Nm)

TABELLE DREHMOMENT RP „DA“ (Nm)
Baugröße
Luft bar
2 bar2,5 bar3 bar3,5 bar4 bar4,5 bar5 bar5,5 bar5,6 bar6 bar7 bar8 bar
RP103,74,75,66,67,58,49,410,310,511,213,115,0
RP207,39,111,012,814,616,418,320,120,521,925,629,2
RP4013,917,420,924,427,931,334,838,339,041,848,755,7
RP60
21,226,531,937,242,547,853,158,459,563,774,384,9
RP80
30,037,544,952,459,967,474,982,483,989,9104,9119,9
RP120
42,753,464,074,785,496,1106,7117,4119,5128,1149,4170,8
RP160
58,573,287,8102,5117,1131,7146,4161,0163,9175,6204,9234,2
RP240
85,2106,5127,8149,1170,4191,7213,0234,3238,6255,6298,2340,8
RP300
109,8137,2164,7192,1219,6247,0274,5301,9307,4329,3384,2439,1
RP480
172,4215,5258,5301,6344,7387,8430,9474,0482,6517,1603,3689,5

Für Drehmomente bei anderen Drücken ACTUATECH kontaktieren.

FUNKTIONSSCHEMA DES DOPPELTWIRKENDEN STELLANTRIEBS

FUNKTIONSSCHEMA
Durch Einleiten von Luft in die Versorgungsöffnung 4 bewegen sich die Kolben zur Mitte und es erfolgt eine Drehung der Welle im Uhrzeigersinn zur Endposition und zur Position in der Zeichnung.

FUNKTIONSSCHEMA
Durch Einleiten von Luft in die Versorgungsöffnung 2 bewegen sich die Kolben zur Außenseite und es erfolgt eine Drehung der Welle gegen den Uhrzeigersinn zur Endposition und zur Position in der Zeichnung.

ANLEITUNG FÜR DIE HUBEINSTELLUNG DES DOPPELWIRKENDEN STELLANTRIEBS

ÖFFNUNGSEINSTELLUNG

SCHLIESSEINSTELLUNG

A) Sicherstellen, dass keine Druckluft im Stellantrieb vorhanden ist (in keiner der beiden Kammern).
B) Die Gegenmutter A1 lösen.
C) Luft mit niedrigem Druck (ausreichend für Bewegung) in das Loch „2“ einlassen, damit sich die Kolben in die Endposition bewegen.
D) Mit einem Inbusschlüssel die Justierschraube A festziehen oder lockern, um die gewünschte Einstellung zu erhalten (maximaler Einstellbereich ±5°).
E) Sobald die gewünschte Einstellung erreicht wurden, die Justierschraube A mit einem Inbusschlüssel blockieren, während die Gegenmutter A1 mit einem Schraubenschlüssel festgezogen wird.

HINWEIS Eventuell die Tätigkeiten wiederholen, bis die gewünschte Einstellung erzielt wird.

A) Sicherstellen, dass keine Druckluft im Stellantrieb vorhanden ist (in keiner der beiden Kammern).
B) Die Gegenmutter B1 lösen.
C) Luft mit niedrigem Druck (ausreichend für Bewegung) in das Loch „4“ einlassen, damit sich die Kolben in die Endposition bewegen.
D) Mit einem Inbusschlüssel die Justierschraube B festziehen oder lockern, um die gewünschte Einstellung zu erhalten (maximaler Einstellbereich ±5°).
E) Sobald die gewünschte Einstellung erreicht wurden, die Justierschraube B mit einem Inbusschlüssel blockieren, während die Gegenmutter B1 mit einem Schraubenschlüssel festgezogen wird.

HINWEIS Eventuell die Tätigkeiten wiederholen, bis die gewünschte Einstellung erzielt wird.

X SCHLIESSEN

NÄCHSTES EVENT

Desalination Technology Expo 2025
Desalination Technology Expo 2025
Valencia, Spain, 4 - 5 - 6 November 2025